Polygoon verloopopnames DIN 26623-1 (zoals Capto®)
Naast gereedschapopnames met polygonale schacht, levert Kintek ook verloopopnames om gereedschappen met een polygonale conus volgens DIN 26623-1 in op te nemen. Hiermee kunt u SK, BT, HSK en VDI opnames in de machine gebruiken voor houders zoals Capto®. Daarnaast levert men ook reduceer- en verlengstukken.
ISO-SK (DIN 69871 AD/B) naar Polygoon (DIN 26623-1)
| Artikel | Opname | D1 (mm) | L (mm) |
| TC40H30C40ADB | SK40 | 40 | 30 |
| TC40H60C40ADB | SK40 | 40 | 60 |
| TC40H40C50ADB | SK40 | 50 | 40 |
| TC50H30C40ADB | SK50 | 40 | 30 |
| TC50H60C40ADB | SK50 | 40 | 60 |
| TC50H30C50ADB | SK50 | 50 | 30 |
| TC50H70C50ADB | SK50 | 50 | 70 |
| TC50H110C50ADB | SK50 | 50 | 110 |
| TC50H30C63ADB | SK50 | 63 | 30 |
| TC50H50C63ADB | SK50 | 63 | 50 |
| TC50H80C63ADB | SK50 | 63 | 80 |
| TC50H70C80ADB | SK50 | 80 | 70 |
| TC50H120C80ADB | SK50 | 80 | 120 |
BT (MAS 403) naar Polygoon (DIN 26623-1)
| Artikel | Opname | D1 (mm) | L (mm) |
| BT40H30C40ADB | BT40 | 40 | 30 |
| BT40H60C40ADB | BT40 | 40 | 60 |
| BT40H50C50ADB | BT40 | 50 | 50 |
| BT40H90C50ADB | BT40 | 50 | 90 |
| BT40H75C63ADB | BT40 | 63 | 75 |
| BT50H40C40ADB | BT50 | 40 | 40 |
| BT50H70C40ADB | BT50 | 40 | 70 |
| BT50H40C50ADB | BT50 | 50 | 40 |
| BT50H80C50ADB | BT50 | 50 | 80 |
| BT50H50C63ADB | BT50 | 63 | 50 |
| BT50H90C63ADB | BT50 | 63 | 90 |
| BT50H70C80ADB | BT50 | 80 | 70 |
| BT50H120C80ADB | BT50 | 80 | 120 |
HSK-A (DIN 69893) naar Polygoon (DIN 26623-1)
| Artikel | DIN69893 | D(mm) | D1 (mm) | L (mm) |
| HSK63AH80C40 | HSK-A63 | 40 | 63 | 80 |
| HSK63AH90C50 | HSK-A63 | 50 | 63 | 90 |
| HSK63AH110C63 | HSK-A63 | 63 | 63 | 110 |
| HSK100AH90C40 | HSK-A100 | 40 | 100 | 90 |
| HSK100AH100C50 | HSK-A100 | 50 | 100 | 100 |
| HSK100AH90C63 | HSK-A100 | 63 | 100 | 90 |
| HSK100AH150C63 | HSK-A100 | 63 | 100 | 150 |
| HSK100AH120C80 | HSK-A100 | 80 | 100 | 120 |
Polygoon reduceeropnames (DIN 26623-1)


| Artikel | Opname | D1 | D | L |
| C50H65C40 | C50 | 50 | 40 | 65 |
| C50H85C40 | C50 | 50 | 40 | 85 |
| C63H80C40 | C63 | 63 | 40 | 80 |
| C63H80C50 | C63 | 63 | 50 | 80 |
| C80H120C50 | C80 | 80 | 50 | 120 |
| C80H80C63 | C80 | 80 | 63 | 80 |
Polygoon verlengstukken (DIN 26623-1)


| Artikel | Opname | D1 (mm) | L (mm) |
| C40H40C40 | C40 | 40 | 40 |
| C40H60C40 | C40 | 40 | 60 |
| C40H80C40 | C40 | 40 | 80 |
| C50H50C50 | C50 | 50 | 50 |
| C50H80C50 | C50 | 50 | 80 |
| C50H100C50 | C50 | 50 | 100 |
| C63H60C63 | C63 | 63 | 60 |
| C63H100C63 | C63 | 63 | 100 |
| C63H140C63 | C63 | 63 | 140 |
| C80H65C80 | C80 | 80 | 65 |
| C80H100C80 | C80 | 80 | 100 |
| C80H125C80 | C80 | 80 | 125 |
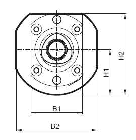
VDI40 (DIN 69880) naar Polygoon (DIN 26623-1)


| Artikel | Opname | L | L1 | D | B1 | B2 | H1 | H2 |
| VDI40L75C40R/L | C40 | 75 | 56 | 40 | 48 | 75 | 41 | 75 |
| VDI40L85C50R/L | C50 | 85 | 72 | 40 | 64 | 75 | 41 | 83 |
| VDI40L109C63R/L | C63 | 109 | 109 | 40 | 84 | 84 | 52 | 104 |
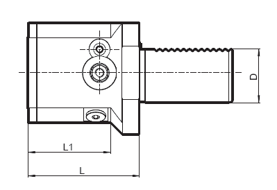
Schachtopname (cilindrisch met spanvlakken) naar Polygoon (DIN 26623-1)


| Artikel | Opname | L | L1 | L2 | D | D1 | H | T |
| D40L100C40 | C40 | 100 | 20 | 10 | 40 | 37 | 28 | 1/8 G |
| D50L120C50 | C50 | 120 | 24 | 20 | 50 | 47 | 33 | 1/8 G |
